Паспорт люлька строительная китайского производства ZLP-630, ZLP-500
Подъемник фасадный ZLP630
Паспорт
ВНИМАНИЮ ВЛАДЕЛЬЦА ПОДЪЕМНИКА!
1. Паспорт постоянно находится у владельца или в организации, получившей фасадный подъемник в аренду вместе с функциями владельца.
Подъемник фасадный ZPL630 с фото/скачать
Арендовать фасадный подъемник ZPL630
Запчасти к ZLP-630
2. Регистрация, работа, и иные действия с подъемником осуществляются в соответствии с «Межотраслевыми правилами по охране труда при эксплуатации строительных подъемников».
3. Работа подъемника при температуре ниже минус 20˚С запрещена.
4. Инженерно – технический работник по надзору за безопасной эксплуатацией подъёмника должен провести дополнительный инструктаж машинистов подъёмника и обслуживающего персонала с записью в вахтенном журнале.
5. При достижении температуры ниже минус 20˚С работа подъемника должна быть прекращена. После повышения температуры письменное разрешение на пуск подъемника в работу должно выдаваться инженерно – техническим работником по надзору за безопасной эксплуатацией подъемника, после личного осмотра, с записью в вахтенном журнале подъемника.
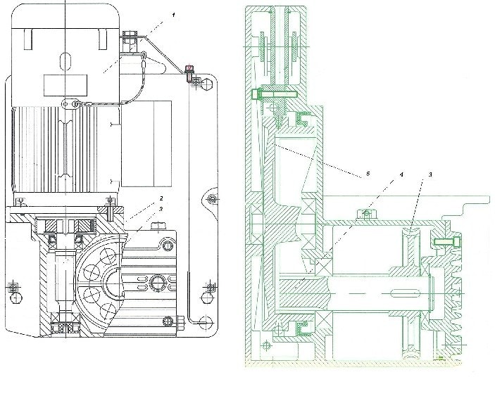
Общий вид подъемника

1- устройство для подвешиван
ия платформы (консоль). 2- блок ограничения перемещения. 3- ловитель. 4- лебедка с канатоведущими шкивами. 5- натяжной груз. 6- электрошкаф. 7- рабочая платформа (люлька). 8- подъемный канат. 9- предохранительный канат.

1- передняя балка. 2- передняя опора. 3- средняя балка. 4- задняя балка.
5- соединительный элемент. 6- задняя опора. 7- противовес (балласт). 8- верхняя опора. 9- трос.
10- натяжной винт (талреп).
ЧАСТЬ I
1. Общие сведения
| 1.1. Изготовитель и его адрес | Boyu (Wuxi) Technology, Со, Ltd, Китай |
| 1.2. Тип подъемника | Двухподвесной |
| 1.3. Заводской номер | |
| 1.4. Модель | ZLP630 |
| 1.5. Дата изготовления | |
| 1.6. Тип привода | Электрический |
| 1.7. Назначение | Управляемое навесное оборудование, предназначенное для работы на высоте |
| 1.8. Окружающая среда, в которой может эксплуатироваться подъемник: | от -20 до +40 |
| температура, град. ºС | |
| относительная влажность воздуха, % | До 90, при температуре от -20°С до +40°С |
| Взрывоопасность | Взрывобезопасная среда |
| Пожароопасность | Пожаробезопасная среда |
| Крыша здания, на которой крепится подъемник, должна выдерживать нагрузку не менее 1500 кг/м2, коэффициент безопасности встроенных в крышу деталей должен составлять минимум 3, если они предназначены для опоры подвесного механизма. Не применять оборудование на расстоянии менее 10 м от высоковольтных линий. Не применять оборудование в грозу, сильный туман, снег, дождь, при сильном ветре (при скорости ветра более 10,8 м/с). |
2. Основные технические данные и характеристики
2.1. Общие данные
| Модель | ZLP630 |
| Грузоподъемность максимальная, кг | 630 |
| высота подъема, м | 50* |
| скорость подъема, м/мин | 9,5 … 9,6 |
| тип лебедки | с канатоведущими шкивами |
| тяговое усилие одной лебедки, кН | 6,3 |
| мощность электродвигателя, кВт | 1,5 |
| количество лебедок, шт | 2 |
| диаметр подъемного каната, мм | 8,3 |
| диаметр предохранительного каната, мм | 8,3 |
| размеры рабочей площадки-люльки, м: - длина - ширина - высота ограждения | (2000 х 3) 690 1160 |
| габариты рабочей площадки (люльки), м: - длина - ширина - высота | 6250 750 1443 |
| масса, кг - подъемника в сборе, не более в т.ч. - рабочей платформы (люльки) с лебедками, ловителями, электрооборудованием и др. - устройство для подвешивания платформы - балласта (противовеса) | люлька из стали (steel) 1833 люлька из алюминия (aluminum) 1683 люлька из стали (steel) 450 люлька из алюминия (aluminum) 300 180 х 2 25х36=900 |
*Примечание: Высота подъема может быть увеличена до 150 м при одновременном снижении грузоподъемности, как показано в таблице ниже:
| Высота подъема (высота здания), м | Грузоподъемность, кг |
| до 50 | 630 |
| от 50 до 100 | 550 |
| от 100 до 120 | 510 |
| от 120 до 150 | 460 |

Геометрические параметры устройства для подвешивания платформы. Для обеспечения устойчивости устройства параметр в (расстояние между осями передней и задней стоек) в зависимости от параметра a (расстояния от оси передней стойки до канатов) должен быть не менее:
| Параметр a (расстояние от оси передней стойки до канатов), мм | Параметр в (расстояние между осями передней и задней стоек), мм | |
| 1050 | Не менее 3500 | |
| 1250 | Не менее 4100 | |
| 1450 | Не менее 4600 |
3. Технические данные и характеристики сборочных узлов
3.1.Характеристика стальных канатов
| Параметры | Назначение каната | |
| Подъемный | Предохранительный | |
| конструкция каната | 4х31SW+FC-8.30 | |
| Диаметр каната, мм | 8,3 | |
| длина, м | 2х100 | 2х100 |
| временное сопротивление проволок разрыву, Н/мм2 (*) | 2260 | |
| разрывное усилие каната в целом, Н (*) | 51800 | |
| расчетное натяжение каната, Н | 4650 – для алюминиевой люльки 5400 – для стальной люльки | |
| покрытие поверхности проволоки | Оцинковка (15г/м2) | |
| коэффициент запаса прочности (**) | 11.1 (алюминий) 9,59 (сталь) | |
( ** ) рассчитывается
3.2. Электродвигатели
| Параметры | Значение |
| тип и условное обозначение | YEJ90L-4 |
| количество приводов | 2 |
| род тока | Переменный AC |
| напряжение, В | 380 |
| номинальный ток, А | 3.7 |
| частота, Гц | 50 |
| номинальная мощность, кВт | 1,5 |
| частота вращения, об/мин | 1420 |
| исполнение (нормальное, влагозащищенное, взрыво-пожарозащищенное) | Normal |
| степень защиты | IP54 |
| Тип встроенного тормоза | Автоматический, нормально закрытый, дисковый |
| Привод тормоза | Электромагнит |
| Тормозной момент, Н.м | 15 |
3.3. Концевые выключатели
| Параметры | Значение |
| тип (рычажный, шпиндельный и т.п.) | Рычажный |
| место установки | на платформе |
| количество | 2 |
| обозначение по принципиальной электрической схеме | SQ1, SQ2 |
3.4. Прочие предохранительные устройства
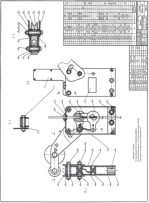
3.4.1. Ловители, одновременно являющиеся ограничителями угла наклона платформы.
| Параметры | Значение |
| модель | SL-A 30 |
| конструкция | См. приложение 5 |
| путь торможения при обрыве каната, мм, не более | 100 |
| допустимое ударное усилие, кН | 30 |
| угол наклона платформы, град, в пределах | 3…8 |
3.4.2. Устройство контроля трехфазного напряжения – имеется (см. электросхему).
3.4.3. Ограничитель центробежной скорости.
3.4.4. Тепловые реле для защиты от перегруза двигателей
3.5. Данные о металле основных элементов металлоконструкции подъемника:
Металлоконструкции подъемника выполнены из стали Q215. Химсостав: C – 0.12, Si – 0.27, Mn – 0.40, P – 0,024, S – 0,014. Сталь является аналогом российской стали ВСт3сп ГОСТ 380-94.
Люлька (платформа) может быть изготовлена из алюминия.
4. Документация, поставляемая изготовителем
4.1. Документация, включаемая в паспорт:
4.1.1. Схема кинематическая лебедки - Приложение 1
4.1.2. Схемы запасовки канатов - Приложение 2
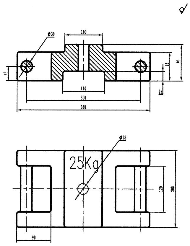
4.1.3. Чертеж балласта. - Приложение 3
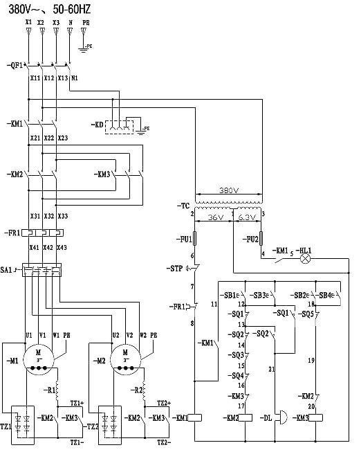
Схема электрическая принципиальная (с перечнем элементов электрооборудования в виде спецификации). - Приложение 4
4.1.4. Чертеж ловителя - Приложение 5
4.2. Документация, поставляемая с паспортом:
4.2.1. Руководство по эксплуатации и монтажу
5. Свидетельство о приемке
Подъемник фасадный КЕТОМ-ZLP630 заводской №
Гарантийный срок 12 мес.
Срок службы 10 лет.
| Место печати _______________ (дата) | Главный инженер организации-изготовителя (подпись, фамилия, и.о) Начальник ОТК (подпись, фамилия, и.о) |
Приложение 1
Кинематическая схема лебедки

1 – Электродвигатель с встроенным дисковым электромагнитным тормозом.
2 – Червяк. Модуль 3,15. Диаметр 21,7 мм.
3 – Червячное колесо. Диаметр 129,14 мм. Число зубьев 42.
4 – Шестерня. Модуль 3. Число зубьев 11. Диаметр 33 мм.
5 – Зубчатое колесо, одновременно являющееся канатоведущим шкивом. Число зубьев 60. Диаметр 180 мм.

Приложение 2
Схемы запасовки канатов
Запасовка подъемного каната в лебедке
Жесткая заделка подъемного и предохранительного канатов на устройствах для подвешивания платформы
Схема запасовки тросов на устройствах для подвешивания платформы
Приложение 3
Чертеж балласта.
Приложение 4
Схема электрическая принципиальная
Спецификация к электросхеме

QF – автоматический выключатель
TC – трансформатор
KM – магнитные пускатели
HL – лампочка
STP – кнопка-переключатель «Пуск-Стоп»
SB – кнопки управления
SB1 – движение вверх, управление с электрошкафа;
SB2 – движение вниз, управление с электрошкафа;
SB3 – движение вверх, управление с пульта;
SB4 – движение вниз, управление с пульта;
FR – термореле
SA – переключатель совместной и раздельной работы двигателей
SQ – конечные выключатели
SQ1, SQ2 – ограничители высоты подъема;
SQ3, SQ4 – датчики перегруза (устанавливаются по спецзаказу);
SQ5 – ограничитель нижнего положения платформы (устанавливается по спецзаказу);
R – тормоза
M – электродвигатели
TZ – выпрямители
KD – розетка
FU – предохранители
DL – звонок




Приложение 5
Чертеж ловителя

ЧАСТЬ 2
1. Эксплуатационные формы
1.1. Сведения о местонахождении подъемника
| Наименование предприятия организации-владельца подъемника или фамилия и инициалы частного лица | Местонахождение подъемника (адрес владельца) | Дата установки (получения) |
Продолжение таблицы 6.1
| Наименование предприятия организации-владельца подъемника или фамилия и инициалы частного лица | Местонахождение подъемника (адрес владельца) | Дата установки (получения) |
6.2. Сведения о назначении инженерно-технических работников,
ответственных за содержание в исправном состоянии
| Номер и дата приказа о назначении или договора с организацией | Фамилия, инициалы | Должность | № и срок действия удостоверения | Подпись |
Продолжение таблицы 6.2
| Номер и дата приказа о назначении или договора с организацией | Фамилия, инициалы | Должность | № и срок действия удостоверения | Подпись |
Продолжение таблицы 6.2
| Номер и дата приказа о назначении или договора с организацией | Фамилия, инициалы | Должность | № и срок действия удостоверения | Подпись |
Продолжение таблицы 6.2
| Номер и дата приказа о назначении или договора с организацией | Фамилия, инициалы | Должность | № и срок действия удостоверения | Подпись |
Продолжение таблицы 6.2
| Номер и дата приказа о назначении или договора с организацией | Фамилия, инициалы | Должность | № и срок действия удостоверения | Подпись |
6.3. Сведения о ремонте металлоконструкций и
замене механизмов, канатов
| Дата | Сведения о характере ремонта и замене элементов подъемника | Сведения о приемке подъемника из ремонта (дата, № документа) | Подпись ИТР, ответственного за содержание подъемника в исправном состоянии |
| Дата | Сведения о характере ремонта и замене элементов подъемника | Сведения о приемке подъемника из ремонта (дата, № документа) | Подпись ИТР, ответственного за содержание подъемника в исправном состоянии |
| Дата | Сведения о характере ремонта и замене элементов подъемника | Сведения о приемке подъемника из ремонта (дата, № документа) | Подпись ИТР, ответственного за содержание подъемника в исправном состоянии |
| Дата | Сведения о характере ремонта и замене элементов подъемника | Сведения о приемке подъемника из ремонта (дата, № документа) | Подпись ИТР, ответственного за содержание подъемника в исправном состоянии |
| Дата | Сведения о характере ремонта и замене элементов подъемника | Сведения о приемке подъемника из ремонта (дата, № документа) | Подпись ИТР, ответственного за содержание подъемника в исправном состоянии |
6.4. Запись результатов технического освидетельствования
| Дата освидетель-ствования | Результаты освидетельствования | Срок следующего полного Освидетельствования |
Продолжение таблицы 6.4
| Дата освидетель-ствования | Результаты освидетельствования | Срок следующего полного Освидетельствования |
| Дата освидетель-ствования | Результаты освидетельствования | Срок следующего полного Освидетельствования |
| Дата освидетель-ствования | Результаты освидетельствования | Срок следующего полного Освидетельствования |
| Дата освидетель-ствования | Результаты освидетельствования | Срок следующего полного Освидетельствования |
| Дата освидетель-ствования | Результаты освидетельствования | Срок следующего полного Освидетельствования |
| Дата освидетель-ствования | Результаты освидетельствования | Срок следующего полного Освидетельствования |
| Дата освидетель-ствования | Результаты освидетельствования | Срок следующего полного Освидетельствования |
| Дата освидетель-ствования | Результаты освидетельствования | Срок следующего полного Освидетельствования |
| Дата освидетель-ствования | Результаты освидетельствования | Срок следующего полного Освидетельствования |
| Дата освидетель-ствования | Результаты освидетельствования | Срок следующего полного Освидетельствования |
| Дата освидетель-ствования | Результаты освидетельствования | Срок следующего полного Освидетельствования |
| Дата освидетель-ствования | Результаты освидетельствования | Срок следующего полного Освидетельствования |
| Дата освидетель-ствования | Результаты освидетельствования | Срок следующего полного Освидетельствования |
| Дата освидетель-ствования | Результаты освидетельствования | Срок следующего полного Освидетельствования |
| Дата освидетель-ствования | Результаты освидетельствования | Срок следующего полного Освидетельствования |
| Дата освидетель-ствования | Результаты освидетельствования | Срок следующего полного Освидетельствования |
| Дата освидетель-ствования | Результаты освидетельствования | Срок следующего полного Освидетельствования |
| Дата освидетель-ствования | Результаты освидетельствования | Срок следующего полного Освидетельствования |
| Дата освидетель-ствования | Результаты освидетельствования | Срок следующего полного Освидетельствования |
| Дата освидетель-ствования | Результаты освидетельствования | Срок следующего полного Освидетельствования |
| Дата освидетель-ствования | Результаты освидетельствования | Срок следующего полного Освидетельствования |
| Дата освидетель-ствования | Результаты освидетельствования | Срок следующего полного Освидетельствования |
| Дата освидетель-ствования | Результаты освидетельствования | Срок следующего полного Освидетельствования |
| Дата освидетель-ствования | Результаты освидетельствования | Срок следующего полного Освидетельствования |
| Дата освидетель-ствования | Результаты освидетельствования | Срок следующего полного Освидетельствования |
| Дата освидетель-ствования | Результаты освидетельствования | Срок следующего полного Освидетельствования |
| Дата освидетель-ствования | Результаты освидетельствования | Срок следующего полного Освидетельствования |
| Дата освидетель-ствования | Результаты освидетельствования | Срок следующего полного Освидетельствования |
| Дата освидетель-ствования | Результаты освидетельствования | Срок следующего полного Освидетельствования |
| Дата освидетель-ствования | Результаты освидетельствования | Срок следующего полного Освидетельствования |
| Дата освидетель-ствования | Результаты освидетельствования | Срок следующего полного Освидетельствования |
| Дата освидетель-ствования | Результаты освидетельствования | Срок следующего полного Освидетельствования |
| Дата освидетель-ствования | Результаты освидетельствования | Срок следующего полного Освидетельствования |
| Дата освидетель-ствования | Результаты освидетельствования | Срок следующего полного Освидетельствования |
| Дата освидетель-ствования | Результаты освидетельствования | Срок следующего полного Освидетельствования |
РЕГИСТРАЦИЯ
Подъемник зарегистрирован за № _____________
___________________________________________________________________
(наименование регистрирующего органа)
Место штампа _______________ (дата) | В паспорте пронумеровано ____ страниц и прошнуровано всего _____ листов, в том числе чертежей на ______ листах (подпись, должность, фамилия, инициалы регистрирующего лица) |
Если вы хотите заказать паспорт люлька строительная китайского производства ZLP-630, ZLP-500 , вы можете
Позвонить: